首頁
走進佳德
公司簡介
企業文化
榮譽資(zī)質
發展大(dà)事記
新聞中心
公司新聞
行業新聞
技術與産品
脫硫技術
濕法 - 氨法脫硫
濕法 - 鈣法脫硫
半幹法脫硫
幹法脫硫
除塵技術
濾筒除塵技術
濕式電除塵技術
脫硝技術
臭氧氧化脫硝
SCR 脫硝
無組織排放
無組織排放
技術研發
研發團隊
合作夥伴
專利
高新技術産品
學術論文
工(gōng)程案例
典型業績
應用案例
人才招聘
聯系我們(men)
公司新聞
行業新聞
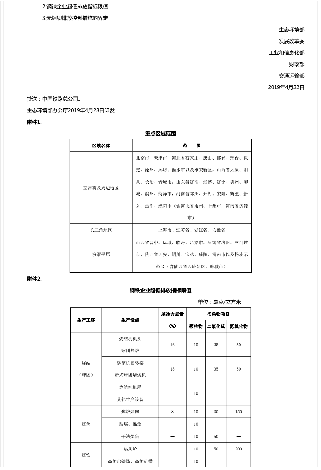
生态環境部發布《關于推進實施鋼鐵行業超低(dī)排放的意見》
發布日期:2019-04-28
浏覽次數: 次
信息來源: 生态環境部
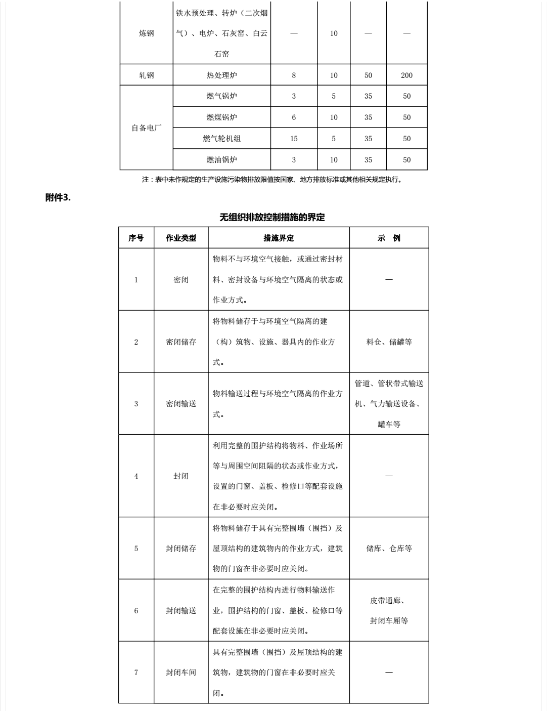
日前,生态環境部印發《關于推進實施鋼鐵行業超低(dī)排放的意窗計見》。全文如(rú)下:
【返回列表】
下一篇:生态環境部印發《2019年全國大(dà)氣污染防治工(gōng)作要子相點》
上一篇:廣東省推進粵港澳大(dà)灣區建設三年行動計劃(201是朋8-2020年) 強調推進生态文明建設